

- Новинки Новинки
- Фурнитура для зеркал Фурнитура для зеркал
- Для витрин и мебели из стекла Для витрин и мебели из стекла
- Дистанционные держатели Дистанционные держатели
-
Для душевых из стекла
Для душевых из стекла
- Петли для душевых кабин(общий)
- Петли серии премиум
- Петли серии нержавеющая сталь
- Петли серии цинк
- Монопетли
- Ручки для душевых
- Коннекторы для душевых кабин
- Коннекторы для штанг верхней обвязки
- Раздвижные душевые системы серия 002
- Раздвижная серия 003
- Раздвижная серия 015
- Поворотно раздвижная серия YM-18H
- Раздвижная серия 8620
- Раздвижная серия АТЛАНТ
- Профиль п-образный AISI304
- Профили из алюминия
- Комплект штанга-петля
- Трубы (штанги верхней обвязки/треки) для душевых кабин
- Замки для душевых кабин
- Уплотнители для душевых
- Силиконы и герметики
- Пороги и соединители
- Аксессуары для ванной
- Регулируемые стабилизационные штанги
- Расходные материалы
- Пробковая прокладка
- Защитные покрытия HENDLEX
- Стекло 8мм
- Раздвижные системы Раздвижные системы
- Для маятниковых дверей Для маятниковых дверей
- Для межкомнатных дверей Для межкомнатных дверей
- Фурнитура для саун, бани и хамам Фурнитура для саун, бани и хамам
- Дверные доводчики Дверные доводчики
- Замки для стеклянных дверей Замки для стеклянных дверей
- Ручки для стеклянных дверей Ручки для стеклянных дверей
- Спайдеры и фурнитура для стеклянных козырьков Спайдеры и фурнитура для стеклянных козырьков
- Зажимные профили Зажимные профили
- Крепежные изделия Крепежные изделия
- Стеклодержатели для ограждений Стеклодержатели для ограждений
- Нержавеющие поручни с пазом Нержавеющие поручни с пазом
- Трубы из нержавеющей стали Трубы из нержавеющей стали
-
Фурнитура для ограждений (стекло- нержавейка)
Фурнитура для ограждений (стекло- нержавейка)
- Зажимной профиль для ограждений
- Готовые стойки для ограждений
- Держатель поручня-стекла
- Заглушки
- Держатели поручней
- Отводы и соединители
- Низы стоек, крепежи,основания
- Держатели ригеля
- Стойки для перил из акрила
- Поручни ПВХ
- Декоративные крышки для стоек
- Фланцы
- Тактильные индикаторы из нержавеющей стали
- Стеклопетли для стеклянных ограждений
- Фурнитура для плекси перил Фурнитура для плекси перил
- Инструмент и материалы для обработки стекла Инструмент и материалы для обработки стекла
- Стекло и зеркало Стекло и зеркало
- Типовые варианты стеклоконструкций под заказ Типовые варианты стеклоконструкций под заказ
- Изделия из нержавеющей стали Изделия из нержавеющей стали
- Мебельная фурнитура Мебельная фурнитура
- Мебельные колеса и колесные ролики для мебели Мебельные колеса и колесные ролики для мебели
- Уцененные товары Уцененные товары
- Товары по специальной цене -30% Товары по специальной цене -30%
Наличие на складах
Срочное перемещение товаров с другого склада оплачивается отдельно. Плановое перемещение бесплатно, сроки уточняйте у менеджеров.
Наличие на складах
Срочное перемещение товаров с другого склада оплачивается отдельно. Плановое перемещение бесплатно, сроки уточняйте у менеджеров.
Наличие на складах
Срочное перемещение товаров с другого склада оплачивается отдельно. Плановое перемещение бесплатно, сроки уточняйте у менеджеров.
Наличие на складах
Срочное перемещение товаров с другого склада оплачивается отдельно. Плановое перемещение бесплатно, сроки уточняйте у менеджеров.
Наличие на складах
Срочное перемещение товаров с другого склада оплачивается отдельно. Плановое перемещение бесплатно, сроки уточняйте у менеджеров.
Наличие на складах
Срочное перемещение товаров с другого склада оплачивается отдельно. Плановое перемещение бесплатно, сроки уточняйте у менеджеров.
Наличие на складах
Срочное перемещение товаров с другого склада оплачивается отдельно. Плановое перемещение бесплатно, сроки уточняйте у менеджеров.
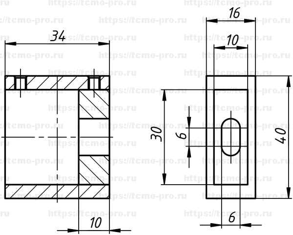
Арт: 122-037
КВО122-037 Коннектор стена- труба
- Материал, Цвет - Цена Задать вопрос!
- Материал, Цвет - Цена Задать вопрос!
- Материал, Цвет - Цена Задать вопрос!
- Материал, Цвет - Цена Задать вопрос!
- Материал, Цвет - Цена Задать вопрос!
- Материал, Цвет - Цена Задать вопрос!
- Материал, Цвет - Цена Задать вопрос!
Характеристики
| Материал | Нержавеющая сталь AISI 304 |
| Цвет | SS (Матовый хром) |
| Количество в коробке | 100 |
| Количество в блоке | 1 |
| Вес, г | 101 |
Характеристики
| Материал | Нержавеющая сталь AISI 304 |
| Цвет | BLACK |
| Количество в коробке | 100 |
| Количество в блоке | 1 |
| Вес, г | 101 |
Характеристики
| Материал | Нержавеющая сталь AISI 304 |
| Цвет | Бронза |
| Количество в коробке | 100 |
| Количество в блоке | 1 |
| Вес, г | 101 |
Характеристики
| Материал | Нержавеющая сталь AISI 304 |
| Цвет | Gold |
| Количество в коробке | 100 |
| Количество в блоке | 1 |
| Вес, г | 101 |
Характеристики
| Материал | Нержавеющая сталь AISI 304 |
| Цвет | PSS (Хром) |
| Количество в коробке | 100 |
| Количество в блоке | 1 |
| Вес, г | 101 |
Характеристики
| Материал | Нержавеющая сталь AISI 304 |
| Цвет | Matt Brushed Grey Gang |
| Количество в коробке | 100 |
| Количество в блоке | 1 |
| Вес, г | 101 |
Характеристики
| Материал | Нержавеющая сталь AISI 304 |
| Цвет | Matt Brushed Gold |
| Количество в коробке | 100 |
| Количество в блоке | 1 |
| Вес, г | 101 |
|
Чертежи |
Краткая информация
-
Коннектор труба-стекло
-
Для трубы 30х10 мм
Описание
Коннектор предназначен для крепления к стене трубы 30х10 мм при монтаже верхней обвязки душевых кабин, или для монтажа к стене треков раздвижных душевых перегородок
